|
|
||||
|
||||
|
|
||||
|
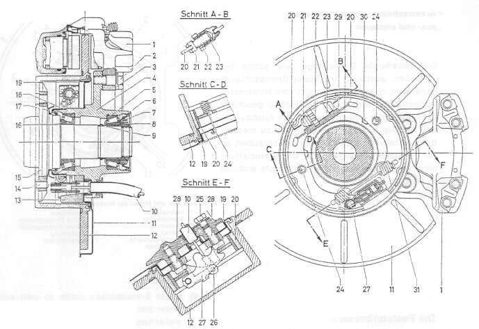
Bild 171
Schnittansicht der Feststellbremse.
1 Bremszange
2 Sechskantschrauben
3 Sicherungsblech
4 Radträger
5 Inneres Kugelrollenlager
6 Abdichtring innen
7 Dichtungslaufring
8 Nutmutter
9 Abstandshülse
10 Bremsseilzug
11 Abdeckblech
|
12 Bremsscheibe
13 Abstützsteg
14 Passstift
15 Hinterachswellenflarisch
16 Äusseres Kegelrollenlager
17 Staubkappe
18 Abdichtring aussen
19 Bremsträger
20 Bremsbacken
21 Druckstück
22 Stellrad
|
23 Druckhülse
24 Andrückfeder
25 Sechskantschraube mit Federring
26 Stift
27 Spreizschloss
28 Innensechskantschraube mit Federring
29 Obere Rückzugfeder
30 Sechskantschraube mit Federring
31 Untere Rückzugsfeder
|
||
|
|
||||
|
Bremsbacken unten auseinanderziehen, über
den Hinterachswellenfiansch einfahren und in das Spreizschloß einhängen. Druckfeder von der Seite in den Bremsbak- ken einsetzen.
Einbauwerkzeug durch ein Gewindeloch des
Hinterachswellenfiansches einfahren, Feder etwas zusammendrücken, um 90° drehen und in das Abdeckblech einhängen. Untere Feder mit der kleinen Öse in den Bremsbacken einhängen. Aus- und Einbauwerkzeug 116 589 01 62 00 in die große Öse der Rückzugfeder einhängen, danach Rückzugfeder in den anderen Brems- backen einhängen.
Bremsscheibe und Bremszange einbauen.
Feststellbremse einstellen. |
|||
|
Bild 172
Schnittansicht vom Spreizschloss.
(Legende siehe Bild 171)
|
||||
|
|
||||
|
99
|
||||
|
|
||||