|
|
|||
|
Ausbau
|
Einbau
|
||
|
|
|||
|
$ Fondsitz und Rückenlehne herausnehmen.
$ Deckel aus Heckwand abnehmen.
$• Nach Lösen der oberen Aufhängungs-Sechs-kantschrauben Scheibe und Gummiring abnehmen.
(§i Sechskantschrauben der unteren Aufhängung lösen.
H Stoßdämpfer nach unten herausnehmen.
@ Vor dem Einbau Aufhängungsteile überprüfen. Der Haltebügel der unteren Stoßdämpferaufhängung muß fest im Gummilager sitzen. Das Gummilager darf im Aufhän-gungsauge nicht drehbar sein.
|
Stoßdämpfer einführen.
Obere Aufhängung montieren, dabei beach- ten, daß alle Teile richtig sitzen. Untere Aufhängung am Schräglenker mon- tieren.
Deckel in Heckwand einsetzen, dann Rük-
kenlehne und Fondsitz montieren. |
||
|
Fahrkeugniveau an der Hinterachse
|
|||
|
|
|||
|
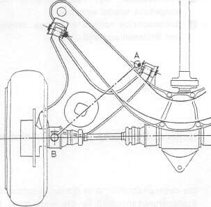
Gemessen wird die Lage der Schräglenker. Das Sonderwerkzeug auf inneren Lagerbolzen des Schräglenkers aufsetzen und unter dem Gehäuse des Gleichiaufgelenkes, zur Anlage bringen. Auf der Skala kann dann der Wert in mm abgelesen werden. Zur Korrektur gibt es Gummi-iager in verschiedenen Stärken (9,5, 14 und 19 mm). Eine 5-mm-Änderung am Gummilager ergeben ca. 7 mm an der Querlenkerstellung.
|
||
|
|
|||
|
Die Bremsen
|
||
|
Das Zweikreis-Bremssystem mit optischer Warneinrichtung besteht aus der hydraulisch auf alle vier Räder werkenden Fußbremse mit Servo-unterstützung. Sowohl die Vorderräder als auch die Hinterräder sind mit Scheibenbremsen ausgerüstet und haben einen in sich geschlossenen Bremskreis. Fällt ein Bremskreis infolge einer undichten Stelle aus, bleibt der andere trotzdem voll funktionsfähig. Die mechanische fußbetätigte Feststellbremse wirkt auf die Hinterräder. Zum Lösen dieser muß ein Knopf am Armaturenbrett betätigt werden.
|
|||
|
Bild 161
Zur Einstellung der Hinterräder
a Schräglenkerstellung (Höhenunterschied Achse hintere
Schräglenkerlagerung (A) - Unterkante Topf für äusseres Gleichlaufgelenk (B). |
|||
|
|
|||
|
93
|
|||
|
|
|||