|
|
|||
|
Einbau
|
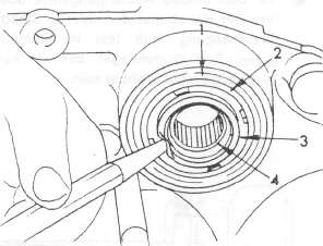
muß eine neue Abstandshülse eingebaut werden. Durch Lösen der Nutmutter kann das Spiel nicht korrigiert werden. Nutmutter durch Umbiegen an zwei Stellen in die entsprechenden Nuten im Hinterachswellenflansch sichern (Bild 160).
|
||
|
Lagerinnenring des äußeren Kegelrolien-lagers mit einem passenden Rohr auf den Hinterachswellenflansch aufpressen. Beide Lageraußenringe in den Radträger mit dem Einziehwerkzeug 116589116100 einziehen.
Sitz für den äußeren Abdichtring am Radträge mit Dichtungsmasse bestreichen und neuen Abdichtring mit dem Einziehwerkzeug aufziehen. Den Abdichtring vorsichtig aufziehen, denn er soll an der Fase am Radträger unten gerade anliegen. Hohlraum zwischen den beiden Lageraußenringen im Radträger mit 50 g Mehrzweckfett füllen.
Eine neue Abstandshülse auf den Hinterachswellenflansch aufstecken und Hinterachswellenflansch in den Radträger einführen.
Den Lagerinnenring für das innere Kegelrollenlager auf den Hinterachswellenflansch aufstecken.
Neuen Abdichtring zwischen den beiden Dichtlippen mit Wälzlagerfett füllen und am Außendurchmesser mit Dichtungsmasse bestreichen.
Lagerinnenring und Abdichtring zusammen mit der Montagevorrichtung auf, bzw. einpressen.
Dichtungslaufring aufstecken und eine neue Nutmutter aufschrauben.
|
|||
|
|||
|
Bild 160
Sichern der Nutmutter im Hinterachswellenflansch.
|
|||
|
Sechskantschraube zur Befestigung der Hinterachsweile am Hinterachswellenflansch festziehen.
Bremsbacken der Feststellbremse, sofern
ausgebaut, wieder einbauen. Bremsscheibe und Bremszange montieren und Bremsanlage entlüften. |
|||
|
|
|||
|
Lagerung einstellen
|
|||
|
|
|||
|
Montageplatte mit Verlängerung am Hinter-
achswellenflansch befestigen (Bild 158). Nutmutter mit dem Nutmutterschlüssel so- lange vorsichtig anziehen, bis das Axialspiel von 0,04 bis 0,06 mm erreicht ist. Meßuhrhalter am Radträger befestigen. Axialspiel des Hinterachswellenflansches prüfen, indem der Hinterachswelienflansch unter gleichzeitiger Drehbewegung nach rechts und links axial hin- und herbewegen. Wenn durch ein zu starkes Anziehen der Nut- mutter kein Axialspiel mehr vorhanden ist, |
Hinteren Stoßdämpfer aus- und einbauen
|
||
|
Die hinteren Stoßdämpfer dienen gleichzeitig als Ausfederungsanschlag für die Hinterräder. Deshalb die Stoßdämpferaufhängung nur lösen, wenn das Fahrzeug auf den Rädern steht oder der Schräglenker abgestützt ist.
|
|||
|
|
|||
|
92
|
|||
|
|
|||