<<<< poprzednianastepna >>>>
bookw116-0086-1.jpg
bookw116-0086-2.jpg
bookw116-0086-3.jpg
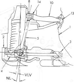
Bild 147
Zur Vorderrad-Einstellung
ST Sturz
NL Nachlauf
SP Spreizung
LR Lenkrollradius
VLV Vorlaufversatz

1 Rahmen-Längstrager
2 Rahmen-Querträger
3 Querjoch
4 Unterer Querlenker
5 Achsschenkel
6 Oberer Querlenker
7 Traggelenk
8 Führungsgelenk
10 Drehstab
11 Exzenterbolzen der vorderen Lagerung (Sturzeinstellung)
12 Exzenterbolzen der hinteren Lagerung (Nachlaufeinstellung)
13 Lagerung des Drehstabes am Vorbau
14 Abstützung des oberen Querlenkers am Drehstab
ren. Darauf achten, daß die Lenkung bereits vor dem Lösen der Verschlußschraube (unten am Lenkgehäuse) annähernd in Mittelstellung ist, wegen Öiaustritt. Die Vorspur ist richtig eingestellt, wenn bei in Mittelstellung fixierter Lenkung an beiden Vorderrädern je der halbe Vorspurwert angezeigt wird.
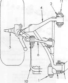
inneren Lagerungen der unteren Querlenker durch Exzenterbolzen. Am vorderen Exzenter wird vorwiegend der Sturz, am hinteren Exzenter vorwiegend der Nachlauf verändert. Zum Messen wird als Hilfsmittel ein Diagramm, bzw. eine Sturz-Nachiaufscheibe benötigt. Eine Sturzverstellung um 0° 10' nach Plus am vorderen Exzenter, ergibt eine Nachlaufverstellung von ca. 0° 10' nach Plus. Die gleiche Verstellung ergibt sich bei einer Minusveränderung. Eine Sturzverstellung um 0° 10' nach Plus ergibt eine Nachlaufveränderung um ca. 0° 30' nach Minus. Sturzverstellung 0° 10' nach Minus ergibt eine Nachlaufverstellung von ca. 0° 30' nach Plus.
Sturz- und Nachiaufeinstellung
Sturz und Nachlauf können nur zusammen ein-
gestellt werden. Die Einstellung erfolgt an den

85