|
|
|||||
|
Beim Anlassen des kalten Motors wird unter + 35° C zusätzlich zur Einspritzmenge vom Startventil durch die Dralldüse fein zerstäubter Kraftstoff in das Saugrohr eingespritzt.
|
Der Thermozeitschalter begrenzt diesen Vorgang, der erst unter +35° C einsetzt, mit abnehmender Temperatur zeitlich ansteigt und bei —20° C 12 sec. erreicht.
|
||||
|
|
|||||
|
|
||||
|
|
|||||
|
|
|
||||
|
Bild 66
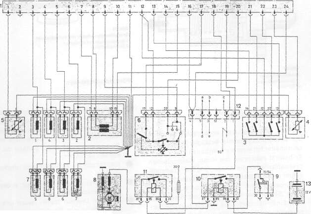
Anschlussplan für Steuergerät dar elektronischen
Senzinainspritzung der Achtzylinder (350 SE/450 SS)
|
|||||
|
|
|||||
|
1 Steckerleiste Steuergerat
2 Druckfühler
3 Auslöschkontakte im Zündverteiler
4 Temperaturfühler Kühlwasser
5 Temperaturfühler Luft
6 Drosselklappenschalter
7 Einspritzventile
8 Kraftstoffpumpe
|
9 Zündanlass-Schalter
10 Hauptrelais Elektronik
11 Pumpenrelais
|
12 SteckverSindung zu Fahrzeugleitungssatz
a zum Kaltstartventil
b zu Thermozeitschalter Kl.W
c zu Thermozeitschalter Kl.G
d zu KaltstartrslaisKI.87
e zu KaltstartreiaisKI.85
f zu Kaltstartrelais Kl.36
13 Fahrzeugbatterie
|
|||
|
|
|||||
|
46
|
|||||
|
|
|||||