| <<<< poprzednia | następna >>>> | Biblioteka |
|
|
|||||||||||||||||
|
|
Getriebe, Getriebeautomatik
|
||||||||||||||||
|
|
|||||||||||||||||
|
|
|
|
|||||||||||||||
|
|
|
|
|||||||||||||||
|
|
|||||||||||||||||
|
|
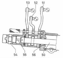
Bild 113 Lenkradschaltung im Schnitt
50 Schaltwelle 54 Rückwärtsgang-Schalter
51 Hebel für RUckwärtsgang 55 Bolzen
52 Hebel für 1. und 1. Gang 56 Lagerung
53 Hebel für 3. und 4. Gang
tern der Kugelpfannen so auf Länge einstellen, daß die Kugelpfannen ohne Spannung auf die Kugelköpfe der Hebel am Lagerkörper gedrückt werden können. Die Schalthebel dürfen sich dabei nicht aus der obigen Stellung bewegen. Nun die Kugelpfannen kontern. Nun den Feststellbolzen aus dem Lagerkörper herausnehmen. Getriebe zur Kontrolle durchschalten.
Knüppelschaltung einstellen
Die Einstellung der Knüppelschaltung ist im Wesentlichen wie die Einstellung der Lenkradschaltung durchzuführen, lediglich die Schalthebel für den Rückwärtsgang stehen nach oben.
|
|
|||||||||||||||
|
|
|||||||||||||||||
|
|
Bild 115 Knüppelschaltung Im Schnitt
1 Schalthebel für 1. und 2. Gang 4 Lagerkörper
2 Schalthebel fUr 3. und 4. Gang 5 Rückfahrlichtschalter
3 Schalthebel für RUckwärtsgang
a EinstellmaB für Rückfahrlichtschalter 4±1 mm - Schalthebel
in Schaltebene 1. und 2. Gang
nel. Der Lagerkörper dient als Lagerbock für den Schaltknüppel. Für die Längeneinstellung sind in den Hebeln und dem Lagerkörper Bohrungen für einen Feststellbolzen vorhanden.
|
|
|||||||||||||||
|
|
|||||||||||||||||
|
|
|||||||||||||||||
|
|
|
|
|||||||||||||||
|
|
Das automatische D.B.-Getriebe
Das automatische Getriebe hat seine Bewährung millionenfach in den Vereinigten Staaten von Amerika abgelegt. 85 Prozent aller Fahrzeuge sind dort mit automatischem Getriebe ausgerüstet. In Europa dagegen ist das automatische Getriebe erst im Kommen und hat noch nicht die 10-Prozent-Grenze erreicht. Die Beschreibung des automatischen M.B.-Getriebes ist für die Wartung und Einstellung gültig, sie kann und soll keine Reparaturanleitung darstellen. Um sach- und fachgerechte Reparaturen durchführen zu können, ist eine Spezialausbildung nötig, die laufend in der Kundendienstschule Untertürkheim (Brühl) in Lehrgängen durchgeführt wird. Bei Schäden, die sich nicht durch die unten beschriebenen Kontrollen und Einstellungen beseitigen lassen, ist das defekte Getriebe auszuwechseln und dafür ein Austauschgetriebe einzubauen. Das defekte Getriebe ist an die nächste Daimler-Benz-Niederlassung zur Reparatur einzusenden. An dieser Stelle muß darauf hingewiesen werden, daß Schäden, die einen Austausch bedingen, bei
|
|
|||||||||||||||
|
|
|||||||||||||||||
|
|
Bild 114 Zur Einstallung der Knüppelschaltung
1 Schalthebel für 1. und 2. Gang
2 Schalthebel für 3. und 4. Gang
3 Schalthebel für Rückwärtsgang
Der Lagerkörper mit den Schalthebeln für den 1. und 2. sowie den Schalthebeln für den 3. und 4. Gang und den Rückwärtsgang liegt im Tun-84
|
|
|||||||||||||||
|
|
|||||||||||||||||
|
|
|||||||||||||||||